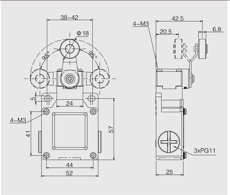
Roller arm type Micro Switch:
Model Number:Z-9504
Rating at: 10(4)A/250VAC,6(2)A 380VAC
Adopt outer shell with intensive plastic and sealed construction, better mechanical strength and water-proof and oil-proof;Side fixed form and swift contact;”Variety of levers;Widely used in Mechanical equipment ,automatic machine, and instrument, electro motion tool etc.
| Brand Name | ZJSHUYI |
|---|---|
| Model Number | Z-9504 |
| Model Name | Roller arm type |
| Rating Load | 10(4)A/250VAC,6(2)A 380VAC |
| Operating Temperature | -10~+70℃ |
| Product name | Travel switch Z9 series |
| Application | Home appliance,electronic device,auto electronic,automation |
| Material Body | PBT cover and PC base |
| Protection | IP65 |
| Mechanical Life | 1,000,000 times above |
| Electrical life | 100,000 times above |
| Colour | blue |
| Operating speed | 5mm-0.5m/s |
| Characteristics | Compact Design |
| Place of Origin | Zhejiang, China |
![]()

Application attentions:1.According to the difference of load and current value, rated loadshould be taken note.Current value of this series is 10A and 15A;
2.When transporting and moving, pls take note of the short circuit
or open circuit may happen in internal wiring;
3.Please take note of the level of protection when used in water, oil and
bug dust.This series has protective type and unprotective type;
4.The immediate cause for broken is stress and attack, please pay attention;
5.Warning mark’Danger! High Voltage!’ and’Take note!’ remind us
pay attention to personnel safety and correctly operation.
Enter your request below and send it to us, and we’ll get back to you ASAP!